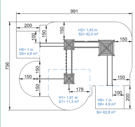
Артикул 6133 Детский деревянный городок с 3 башнями и горкой из нержавейки
Доставка по городу
Стоимость установки рассчитает менеджерВ нашем ассортименте представлен хороший выбор тренажеров и игрового оборудования для улицы. Наш интернет-магазин сотрудничает только с надежными производителями, высоко зарекомендовавшими себя на рынке. Поэтому вы можете не сомневаться в безупречном качестве товаров, изображенных на фото нашего каталога.
Сейчас у нас проходит грандиозная акция – и на многие хиты продаж снижена цена. Например, на детский деревянный городок с тремя башнями и горкой из нержавейки, купить изделие с артикулом 6133 можно всего за 0 руб. рублей. В карточке товара представлено его подробное описание, чтобы вам было проще определиться с выбором.
Мы выполняем не только реализацию и доставку, но и установку уличного оборудования.
Чтобы узнать, сколько стоит установка, сообщите нам следующие условия:
- Место расположения и специфику объекта
- Характеристики покрытия, на котором необходимо выполнить монтаж
В любом случае, установка уличного оборудования бригадой наших мастеров обойдется вам очень недорого. На все работы предоставляется гарантия качества.






